單向鎖使用在液壓支架千斤頂上面,用來鎖閉千斤頂上腔或者下腔。單向鎖的常見型號: DSF、ZDS、 DS10、YD-PK125/40、 YD-PK200/40、YDF-42/200G、ZDF-42/2、ZDS16A、FDY480/50

| 序號 | 圖號 | 產品名稱 | 規格型號 | 單位 |
|---|---|---|---|---|
| 1 | ZT00FD-16 | KJ系列單向鎖 | Q/ZZM2047-85(ZDS) | 套 |
| 2 | ZDS | KJ系列單向鎖 | ZDS | 套 |
| 3 | ZDS13A | KJ系列單向鎖 | ZDS13A | 套 |
| 4 | ZDS16A | KJ系列單向鎖 | 套 | |
| 5 | QJ/ZZM2047-87 | KJ系列單向鎖 | 套 | |
| 6 | ZDSA | KJ系列單向鎖 | ZDSA | 套 |
| 7 | ZDS16/13 | KJ系列單向鎖 | KJ16/KJ13 | 套 |
| 8 | YD-PK200/40Ⅱ | KJ系列單向鎖 | YD-PK200/40Ⅱ | 套 |
| 9 | YD-PK125/40A | KJ系列單向鎖 | YD-PK125/40A | 套 |
| 10 | YD-PK125/40 | KJ系列單向鎖 | YD-PK125/40 | 套 |
| 11 | YD-PK-200/40ⅡA | KJ系列單向鎖 | YD-PK-200/40ⅡA | 套 |
| 12 | YD-PK125/40IA | KJ系列單向鎖 | YD-PK125/40IA | 套 |
| 13 | YD-PK125/40I | KJ系列單向鎖 | YD-PK125/40I | 套 |
| 14 | YD-PK125/40TY | KJ系列單向鎖 | 套 | |
| 15 | YD-PK125/400(A) | KJ系列單向鎖 | YD-PK125/400(A) | 套 |
| 16 | YD-PK125/40ⅠY | KJ系列單向鎖 | 套 | |
| 17 | FDD125/40 | KJ系列單向鎖 | KJ10 | 套 |
| 18 | FDY200/40(Y)A | KJ系列單向鎖 | KJ13/KJ10 | 套 |
| 19 | DS10AX | KJ系列單向鎖 | KJ10 | 套 |
| 20 | BK2F1.00 | KJ系列單向鎖 | 套 | |
| 21 | YDF-200(G) | KJ系列單向鎖 | YDF-200(G) | 套 |
| 22 | ZT00FD-19 | KJ系列單向鎖 | Kφ13 | 套 |
| 23 | ZT00FD-20 | KJ系列單向鎖 | Kφ13 | 套 |
| 24 | ZT00FD-19 | KJ系列單向鎖 | ZDF-200/42G | 套 |
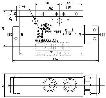
一、單向鎖結構特點
本閥選用不銹鋼材質,聯接形式為管式連接;插裝式閥芯組件,結構緊湊,拆裝維護方便;密封副為金屬錐面密封結構,壽命長;靜密封位置采用優質密封件密封,密封可靠。
二、單向鎖使用位置:
單向鎖使用在液壓支架千斤頂上面,用來鎖閉千斤頂上腔或者下腔。
三、單向鎖的常見型號:
DSF、ZDS、 DS10、YD-PK125/40、 YD-PK200/40、YDF-42/200G、ZDF-42/2、ZDS16A、FDY480/50
四、單向鎖工作原理圖:
五、單向鎖工作原理:
單向鎖,它包括閥體,開設在所述閥體內的閥腔,設置在所述閥腔內的閥座、閥芯、閥芯回位彈簧,以及開設在閥體上與閥座一側閥腔相通的進液口和與閥芯一側閥腔相通的出液口;所述閥腔為貫穿閥體的通腔,在閥腔左端口螺紋密封連接有端套,所述閥芯回位彈簧設置在所述端套孔腔內;所述閥座鑲嵌在閥座套上;在閥座一側閥腔內密封滑動設置有頂桿,所述頂桿延伸到閥座套內,在頂桿上套裝有頂桿回位彈簧;閥腔右端口通過螺紋塞堵密封;位于螺紋塞堵與頂桿之間的閥腔與開設在閥體上的控制液進口和控制液出口相通。
六、單向鎖常見故障、原因及處理方法:
本閥選用不銹鋼材質,聯接形式為管式連接;插裝式閥芯組件,結構緊湊,拆裝維護方便;密封副為金屬錐面密封結構,壽命長;靜密封位置采用優質密封件密封,密封可靠。

單向鎖使用在液壓支架千斤頂上面,用來鎖閉千斤頂上腔或者下腔。
三、單向鎖的常見型號:
DSF、ZDS、 DS10、YD-PK125/40、 YD-PK200/40、YDF-42/200G、ZDF-42/2、ZDS16A、FDY480/50
四、單向鎖工作原理圖:

單向鎖,它包括閥體,開設在所述閥體內的閥腔,設置在所述閥腔內的閥座、閥芯、閥芯回位彈簧,以及開設在閥體上與閥座一側閥腔相通的進液口和與閥芯一側閥腔相通的出液口;所述閥腔為貫穿閥體的通腔,在閥腔左端口螺紋密封連接有端套,所述閥芯回位彈簧設置在所述端套孔腔內;所述閥座鑲嵌在閥座套上;在閥座一側閥腔內密封滑動設置有頂桿,所述頂桿延伸到閥座套內,在頂桿上套裝有頂桿回位彈簧;閥腔右端口通過螺紋塞堵密封;位于螺紋塞堵與頂桿之間的閥腔與開設在閥體上的控制液進口和控制液出口相通。
六、單向鎖常見故障、原因及處理方法:
|
單向 鎖 |
不能閉鎖油路 |
1、閥芯與閥座密封處有雜物。 2、閥墊或O形圈損壞。 3、閥芯多次沖擊變形,蹩卡不復位。 4、與之配套的安全閥損壞。 |
1、拆卸清理雜物。 2、更換密封件。 3、更換閥芯或整體更換 4、更換維修。 |
|
閉鎖腔不回液 立柱千斤頂不 降柱 |
1、頂桿變形、折斷、打不開閥芯。 2、頂桿處密封損壞,向回路串液。 3、控制油路堵塞,不通液。 4、頂桿與殼體或閥套蹩卡,推不動。 |
1、更換頂桿。 2、更換密封件。 3、檢查管路,保障暢通。 4、更換。 |
|
| 立柱上腔漲缸 |
1、液控腔不回液或閥接板孔不透。 2、彎頭、膠管等管路不通。 3、回液截止閥、回油斷路閥沒打開。 4、操縱閥不回油或打開間隙太小。 |
1、檢查更換。 2、檢查更換。 3、打開截止閥。 4、維修操縱閥。 |
![[field:title function='html2text(@me)'/]](/static/upload/image/20250915/1757906885102576.png)
![[field:title function='html2text(@me)'/]](/static/upload/image/20250813/1755066320148657.png)
![[field:title function='html2text(@me)'/]](/static/upload/image/20250813/1755066237177295.png)