四通用在液壓系統的各種管路當中和閥管之間等。四通是液壓系統管路連接的金屬件,使得液體能順利進入到各自獨立的分支系統的管路.

| 序號 | 圖號 | 產品名稱 | 規格型號 | 單位 |
|---|---|---|---|---|
| 1 | KJ9-10 | 四通 | 個 | |
| 2 | KJ9-13 | 四通 | 個 | |
| 3 | KJ9-19 | 四通 | 個 | |
| 4 | S2-10 | 四通 | DN10 | 個 |
| 5 | S2-12.5 | 四通 | DN12 | 個 |
| 6 | S2-19 | 四通 | DN20 | 個 |
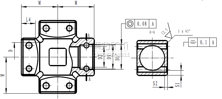
一、四通的主要技術參數:


二、四通的用途及功能:
四通是液壓系統管路連接的金屬件,使得液體能順利進入到各自獨立的分支系統的管路,依靠液壓元件及執行機構來實現液壓支架所需的各種動作。
三、四通的使用位置:
用在液壓系統的各種管路當中和閥管之間等。
四、四通在運輸、安裝或者使用時注意事項:
1.運輸中要保護好管接頭不受損壞、銹蝕等,管接頭孔要用塑料帽、堵保護好,在工作現場安裝時才能去掉。
2.拆卸或更換時,應在相關液壓缸卸載后操作,防止傷人;接通各個液壓管路前,放出少許乳化液沖刷系統和液壓部件,以免贓物帶入系統。
3.在進行檢修工作中,絕不能帶壓拆卸,需要拆卸更換時,必須關閉主進液管路。
五、四通的常見故障、原因與排除方法:


二、四通的用途及功能:
四通是液壓系統管路連接的金屬件,使得液體能順利進入到各自獨立的分支系統的管路,依靠液壓元件及執行機構來實現液壓支架所需的各種動作。
三、四通的使用位置:
用在液壓系統的各種管路當中和閥管之間等。
四、四通在運輸、安裝或者使用時注意事項:
1.運輸中要保護好管接頭不受損壞、銹蝕等,管接頭孔要用塑料帽、堵保護好,在工作現場安裝時才能去掉。
2.拆卸或更換時,應在相關液壓缸卸載后操作,防止傷人;接通各個液壓管路前,放出少許乳化液沖刷系統和液壓部件,以免贓物帶入系統。
3.在進行檢修工作中,絕不能帶壓拆卸,需要拆卸更換時,必須關閉主進液管路。
五、四通的常見故障、原因與排除方法:
| 部位 | 故障現象 | 可能原因 | 排除方法 |
| 四通 | 管接頭漏液 |
1、密封面磨損或尺寸超差 2、保存和運輸時,密封面被損壞或銹蝕; 3、更換時猛砸硬插,擠碰接頭。 |
1、直接更換 2、保存和運輸時,必須保護密封面不被損壞和銹蝕; 3、更換時不要猛砸硬插,安好后不要拆裝過頻,平時注意整理,防止擠碰接頭。 |
![[field:title function='html2text(@me)'/]](/static/upload/image/20250915/1757906885102576.png)
![[field:title function='html2text(@me)'/]](/static/upload/image/20250813/1755066320148657.png)
![[field:title function='html2text(@me)'/]](/static/upload/image/20250813/1755066237177295.png)