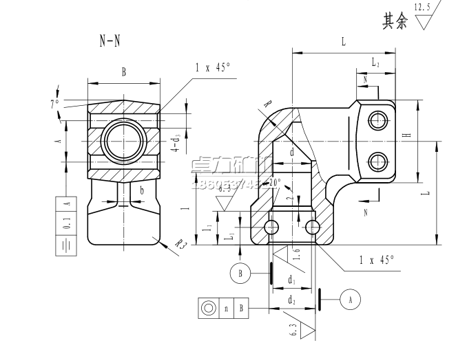
彎通是管道安裝中常用的一種連接用管件,連接兩根公稱通徑相同或者不同的管子,使管路做一定角度轉彎。

| 序號 | 圖號 | 產品名稱 | 規格型號 | 單位 |
|---|---|---|---|---|
| 1 | KJ6-10 | 彎通 | 個 | |
| 2 | KJ6-13 | 彎通 | 個 | |
| 3 | J2-10 | 彎通 | DN10 | 個 |
| 4 | J2-12.5 | 彎通 | DN12 | 個 |
| 5 | J2-19 | 彎通 | DN20 | 個 |
| 6 | J2-25 | 彎通 | DN25 | 個 |
| 7 | KJ6-10 | 彎通 | 個 |
一、彎通的主要技術參數:


二、彎通的用途及功能:
彎通是管道安裝中常用的一種連接用管件,連接兩根公稱通徑相同或者不同的管子,使管路做一定角度轉彎。
三、彎通的使用位置:
用在液壓系統的各種管路當中和閥管之間等。
四、彎通在運輸、安裝或者使用時注意事項:
1.運輸中要保護好管接頭不受損壞、銹蝕等,管接頭孔要用塑料帽、堵保護好,在工作現場安裝時才能去掉。
2.拆卸或更換時,應在相關液壓缸卸載后操作,防止傷人;接通各個液壓管路前,放出少許乳化液沖刷系統和液壓部件,以免贓物帶入系統。
3.在進行檢修工作中,絕不能帶壓拆卸,需要拆卸更換時,必須關閉主進液管路。
五、彎通的常見故障、原因與排除方法:
| 部位 | 故障現象 | 可能原因 | 排除方法 |
| 彎通 | 管接頭損壞 |
1、升降、推移架過程被擠碰壞 2、裝卸困難,加工尺寸或密封圈不合格 3、密封面或O形圈損壞,不能密封 4、接頭體滲液為鍛件裂紋氣 |
1、損壞接頭及時更換 2 、拆檢、密封圈不當要更換 3 更換密封圈或接頭 4 更換接頭 |
![[field:title function='html2text(@me)'/]](/static/upload/image/20250915/1757906885102576.png)
![[field:title function='html2text(@me)'/]](/static/upload/image/20250813/1755066320148657.png)
![[field:title function='html2text(@me)'/]](/static/upload/image/20250813/1755066237177295.png)